三極管在直流穩壓電源電路設計中的應用
首先,我們來了解下什么是可調直流電源三極管。可調直流電源三極管實際是PN結構成。通過圖2,我們能夠觀察到,它內部是兩個PN結。關于它的電路特性,在這里我就不詳細講解,我這里主要是從工程角度出發,去理解這么個可調直流電源三極管。
這是一個TO-92封裝的可調直流電源三極管,是個插件的。
可調直流電源三極管基本結構和電氣圖形符號
像圖2(a)所示的可調直流電源三極管,箭頭從E極指向B極的,稱之為P管,即P型的晶體管。我們再來看圖2(b)所示的這個可調直流電源三極管,箭頭是從B極指向E極的,箭頭從里往外,我們稱這個為N管,即N型晶體管。無論是P型還是N型的,都是差不多的。這里,主要講講N型可調直流電源三極管的。N型的可調直流電源三極管的圖形符號如圖3所示。
可調直流電源三極管有三根引腳:B是代表基極的、E是代表發射極的、C是代表集電極的。在正常一個電路中,我們一般情況下都是把E極接地的,B極接一個控制信號,C極接個負載,這個時候可調直流電源三極管作為開關狀態下使用的。我們現在來看可調直流電源三極管是怎么工作的。
N型可調直流電源三極管圖形符號
下面,我們研究下可調直流電源三極管的特性。可調直流電源三極管是一個流控流型的晶體管。顧名思義,電流控制電流的。當BE之間流過一個電流的,如果C上是接可調直流電源的,那么CE之間也會流過一個電流的。我們把BE之間流過的電流稱之為,為基極電流,在C極(集電極)處,CE之間的電流稱之為。也就是說,有電流的時候,也是有電流的;沒有電流,也是沒有電流的。也就是用的電流來控制的電流,這是可調直流電源三極管的第一個特性——流控流型。
第二個特性,可調直流電源三極管具有放大功能。比如上流過1mA的電流,那么在流過的電流的大小是成倍于上的電流放大,而且放大倍數是90~100倍,即=100。這是由可調直流電源三極管自身的特性所決定的。
第三個特性,當E極接地,如果足夠大,那么就更加的大,這就預示著之間的電阻就更加的小。因為電流越大,電阻就越小。小到我們近似的認為CE之間是短路的。電流大到什么時候,我們認為CE之間的電流是短路的呢?我們一般認為是為1mA的時候。就是說,當》=1mA的時候,0,0.3V。接下來,還有一個特征。
第四個特性,當》=1mA, =0.7V。這時候,我們認為,這個可調直流電源三極管是完全打開的。它就是起一個開關作用,=100mA,0,0.3V, =0.7V。
第五個特性,要想讓可調直流電源三極管完全導通,必須要讓兩端加一個大于0.7V的可調直流電源電壓,可調直流電源三極管才完全導通。如果兩端的可調直流電源電壓小于0.7V,那么可調直流電源三極管就沒能完全導通,的電流也就不會最大,上就有電阻,而在上就會產生一個分壓。這個分壓值就等效為一個電阻,隨著的增大,就會越來越小。
這些是可調直流電源三極管很重要的特性。有了這些特性,我們就能夠很好的分析電路,設計電路。
我們先分析一個簡單的線性可調直流電源電路中可調直流電源三極管在其中的作用;之后再分析可調直流電源三極管作為開關管、控制管等等的電路;最后根據實際問題,靈活運用可調直流電源三極管的特性解決實際問題。首先掌握分析判斷出這部分或這一模塊電路實現什么功能;然后學會根據功能應用可調直流電源三極管設計電路。
【線性可調直流電源--放大管】
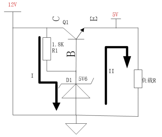
圖4 5V線性可調直流電源
【分析】分析電路,我們關鍵抓住三大要素:源(可調直流電源)、地、回路。
如圖4所示是一個5V的線性可調直流電源。我們來看,由于CB之間是不能夠導通的,那么電流從12V的可調直流電源電壓流出,流過1.8K的電阻R1,在流過5.6V的穩壓管到地形成回路I。那么此時在電阻R1兩端的可調直流電源電壓差為6.4V,mA,大于2mA。我們知道,當穩壓管的負端向正端流過一個大于2mA的電流,那么在穩壓管的兩端就會出現一個穩定的可調直流電源電壓,所以,這個穩壓管就形成了5.6V的可調直流電源電壓。
穩壓管兩端產生5.6V 的可調直流電源電壓,然后通過BE,通過負載R,形成圖4所示的回路II。那么就會產生個,上有一個電流,上也流過一個電流。當增到足夠大,大于1mA,能夠使的可調直流電源電壓大于0.7V,而實際上只要大于0.6V就可以了,這時候,可調直流電源三極管就完全導通。因此,在右上角就會形成一個5V的可調直流電源電壓。這個5V可調直流電源電壓的形成是由于上有一個0.6V的壓降,5.6-0.6=5V。就形成這么一個5V的可調直流電源電壓。完全導通時就近似為0,此時CE短路了,12V就會通過可調直流電源三極管完全過來,那么此時E點的可調直流電源電壓不就是12V了?不是5V了。
當E點為12V時,E點電位就會超過B點的電位,這時候,之間的可調直流電源電壓就小于0.6V,此時可調直流電源三極管就關閉了。就沒有電流了,也沒有電流流過,這時E點的可調直流電源電壓就會開始急劇下降,當下降到5V的時候,的可調直流電源電壓又等于0.6V了,可調直流電源三極管又完全導通了。這時E點的可調直流電源電壓就開始往上升,之間的可調直流電源電壓又開始小于0.6V并往逐漸減小,CE之間的阻抗作用越來越大,直到可調直流電源三極管關閉。這樣周而復始,最后使E點可調直流電源電壓穩定在5V。這個電路最終就形成的是一個負反饋的負載電路。也就是說,這個電阻是接在E極上的,它有負反饋作用,通過它上面的可調直流電源電壓一會兒增,一會兒降,來控制,也同時控制了,最終讓E點可調直流電源電壓穩定在5V。
- 上一篇:充電機充電蓄電池報B1516電流傳感器信號故障代碼解決方案 2017/7/1
- 下一篇:選擇充電機充電蓄電池的路徑 2017/6/30
