電源工程師必知的直流穩壓電源電路設計問答
一、下面是一些基本的數字直流穩壓電源電路知識問題
(1) 什么是 Setup 和 Hold 時間?
答:Setup/Hold Time 用于測試芯片對輸入信號和時鐘信號之間的時間要求。 建立時間(Setup Time)是指觸發器的時鐘信號上升沿到來以前,數據能夠保持穩 定不變的時間。輸入數據信號應提前時鐘上升沿(如上升沿有效)T 時間到達芯片, 這個 T 就是建立時間通常所說的 Setup Time。如不滿足 Setup Time,這個數據就 不能被這一時鐘打入觸發器,只有在下一個時鐘上升沿到來時,數據才能被打入 觸發器。 保持時間(Hold Time)是指觸發器的時鐘信號上升沿到來以后,數據保 持穩定不變的時間。如果 Hold Time 不夠,數據同樣不能被打入觸發器。
(2) 什么是競爭與冒險現象?怎樣判斷?如何消除?
答:在組合邏輯直流穩壓電源電路中,由于門直流穩壓電源電路的輸入信號經過的通路不盡相同,所產生的延時也就會不同,從而導致到達該門的時間不一致,我們把這種現象叫做競 爭。由于競爭而在直流穩壓電源電路輸出端可能產生尖峰脈沖或毛刺的現象叫冒險。如果布爾 式中有相反的信號則可能產生競爭和冒險現象。解決方法:一是添加布爾式的消 去項,二是在芯片外部加直流穩壓電源電容。
(3) 請畫出用 D 觸發器實現 2 倍分頻的邏輯直流穩壓電源電路?
答:把 D 觸發器的輸出端加非門接到 D 端即可,如下圖所示:

(4) 什么是"線與"邏輯,要實現它,在硬件特性上有什么具體要求?
答:線與邏輯是兩個或多個輸出信號相連可以實現與的功能。在硬件上,要用 OC 門來實現(漏極或者集電極開路),為了防止因灌直流穩壓電源電流過大而燒壞 OC 門, 應在 OC 門輸出端接一上拉直流穩壓電源電阻(線或則是下拉直流穩壓電源電阻)。
(5) 什么是同步邏輯和異步邏輯?同步直流穩壓電源電路與異步直流穩壓電源電路有何區別?
答:同步邏輯是時鐘之間有固定的因果關系。異步邏輯是各時鐘之間沒有固定的因果關系。直流穩壓電源電路設計可分類為同步直流穩壓電源電路設計和異步直流穩壓電源電路設計。同步直流穩壓電源電路利用時鐘脈沖使 其子系統同步運作,而異步直流穩壓電源電路不使用時鐘脈沖做同步,其子系統是使用特殊的 “開始”和“完成”信號使之同步。異步直流穩壓電源電路具有下列優點:無時鐘歪斜問題、 低電源消耗、平均效能而非最差效能、模塊性、可組合和可復用性。
(6) 請畫出微機接口直流穩壓電源電路中,典型的輸入設備與微機接口邏輯示意圖(數據接口、控制接口、鎖存器/緩沖器)。
答:典型輸入設備與微機接口的邏輯示意圖如下:
(7) 你知道那些常用邏輯電平?TTL 與 COMS 電平可以直接互連嗎?
答:常用的電平標準,低速的有 RS232、RS485、RS422、TTL、CMOS、LVTTL、LVCMOS、ECL、ECL、LVPECL 等,高速的有 LVDS、GTL、PGTL、 CML、HSTL、SSTL 等。
一般說來,CMOS 電平比 TTL 電平有著更高的噪聲容限。如果不考慮速度 和性能,一般 TTL 與 CMOS 器件可以互換。但是需要注意有時候負載效應可能 引起直流穩壓電源電路工作不正常,因為有些 TTL 直流穩壓電源電路需要下一級的輸入阻抗作為負載才能 正常工作。
二、 可編程邏輯器件在現代直流穩壓電源設計中越來越重要
(1) 你所知道的可編程邏輯器件有哪些?
答:ROM(只讀存儲器)、PLA(可編程邏輯陣列)、FPLA(現場可編程邏輯陣列)、PAL(可編程陣列邏輯)、GAL(通用陣列邏輯),EPLD(可擦除的可編程邏輯器件)、 FPGA(現場可編程門陣列)、CPLD(復雜可編程邏輯器件)等 ,其中 ROM、FPLA、 PAL、GAL、EPLD 是出現較早的可編程邏輯器件,而 FPGA 和 CPLD 是當今最 流行的兩類可編程邏輯器件。FPGA 是基于查找表結構的,而 CPLD 是基于乘積 項結構的。
(2) 設想你將設計完成一個直流穩壓電源直流穩壓電源電路方案,請簡述用 EDA 軟件(如 PROTEL)進行 設計(包括原理圖和 直流穩壓電源PCB 圖)到調試出樣機的整個過程。在各環節應注意哪些問 題?
答:完成一個直流穩壓電源直流穩壓電源電路設計方案的整個過程大致可分為以下幾個步驟:(1) 原理圖設計;(2) 直流穩壓電源PCB設計;(3) 投板;(4) 直流穩壓電源元器件焊接;(5) 模塊化調試;(6) 整機調試。各環節注意問題如下:
(1) 原理圖設計階段
● 注意適當加入旁路直流穩壓電源電容與去耦直流穩壓電源電容;
●注意適當加入測試點和 0 歐直流穩壓電源電阻以方便調試時測試用;
●注意適當加入 0 歐直流穩壓電源電阻、電感和磁珠以實現抗干擾和阻抗匹配;
(2) 直流穩壓電源PCB 設計階段
● 自己設計的直流穩壓電源元器件封裝要特別注意以防止板打出來后直流穩壓電源元器件無法焊接;
● FM 部分走線要盡量短而粗,電源和地線也要盡可能粗;
● 旁路直流穩壓電源電容、晶振要盡量靠近芯片對應管腳;
● 注意美觀與使用方便;
(3) 投板
● 說明自己需要的工藝以及對制板的要求;
(4) 直流穩壓電源元器件焊接
● 防止出現芯片焊錯位置,管腳不對應;
● 防止出現虛焊、漏焊、搭焊等;
(5) 模塊化調試
● 先調試電源模塊,然后調試控制模塊,然后再調試其它模塊;
● 上電時動作要迅速,發現不會出現短路時在徹底接通電源;
● 調試一個模塊時適當隔離其它模塊;
● 各模塊的技術指標一定要大于客戶的要求;
(6) 整機調試
● 由于整機調試時仍然會出現很多問題,而且這些問題往往更難解決,如提高靈敏度等,這時一定不要手忙腳亂,要多向高手請教!
三、其它直流穩壓電源電路設計問答
1、放大直流穩壓電源電路中頻率補償的目的是什么,有哪些方法?
答:放大直流穩壓電源電路中頻率補償的目的有二:一是改善放大直流穩壓電源電路的高頻特性,而是克服由于引入負反饋而可能出現自激振蕩現象,使放大器能夠穩定工作。在放大直流穩壓電源電路中,由于晶體管結直流穩壓電源電容的存在常常會使放大直流穩壓電源電路頻率響應的高頻段不理想, 為了解決這一問題,常用的方法就是在直流穩壓電源電路中引入負反饋。然后,負反饋的引入又引入了新的問題,那就是負反饋直流穩壓電源電路會出現自激振蕩現象,所以為了使放大電 路能夠正常穩定工作,必須對放大直流穩壓電源電路進行頻率補償。
頻率補償的方法可以分為超前補償和滯后補償,主要是通過接入一些阻容元 件來改變放大直流穩壓電源電路的開環增益在高頻段的相頻特性,目前使用最多的就是鎖相 環。
2、什么是頻率響應,怎么才算是穩定的頻率響應,簡述改變頻率響應曲線的幾 個方法。
答:這里僅對放大直流穩壓電源電路的頻率響應進行說明。 在放大直流穩壓電源電路中,由于電抗元件(如直流穩壓電源電容、電感線圈等)及晶體管極間直流穩壓電源電容的存
在,當輸入信號的頻率過低或過高時,放大直流穩壓電源電路的放大倍數的數值均會降低,而 且還將產生相位超前或之后現象。也就是說,放大直流穩壓電源電路的放大倍數(或者稱為增 益)和輸入信號頻率是一種函數關系,我們就把這種函數關系成為放大直流穩壓電源電路的頻 率響應或頻率特性。
放大直流穩壓電源電路的頻率響應可以用幅頻特性曲線和相頻特性曲線來描述,如果一個 放大直流穩壓電源電路的幅頻特性曲線是一條平行于 x 軸的直線(或在關心的頻率范圍內平行 于 x 軸),而相頻特性曲線是一條通過原點的直線(或在關心的頻率范圍是條通過 原點的直線),那么該頻率響應就是穩定的。
改變頻率響應的方法主要有:(1) 改變放大直流穩壓電源電路的直流穩壓電源元器件參數;(2) 引入新的 直流穩壓電源元器件來改善現有放大直流穩壓電源電路的頻率響應;(3) 在原有放大直流穩壓電源電路上串聯新的放大電 路構成多級放大直流穩壓電源電路。
3、給出一個差分運放,如何進行相位補償,并畫補償后的波特圖。
答:隨著工作頻率的升高,放大器會產生附加相移,可能使負反饋變成正反饋而引起自激。進行相位補償可以消除高頻自激。相位補償的原理是:在具有高 放大倍數的中間級,利用一小直流穩壓電源電容 C(幾十~幾百微微法)構成直流穩壓電源電壓并聯負反饋 直流穩壓電源電路。可以使用直流穩壓電源電容校正、RC 校正分別對相頻特性和幅頻特性進行修改。
波特圖就是在畫放大直流穩壓電源電路的頻率特性曲線時使用對數坐標。波特圖由對數幅頻特性和對數相頻特性兩部分組成,它們的橫軸采用對數刻度 lg f ,幅頻特性的縱軸采用 lg Au 表示,單位為 dB;相頻特性的縱軸仍用j 表示。下圖給出了高通和低通直流穩壓電源電路的波特圖:
4、基本放大直流穩壓電源電路的種類及優缺點,廣泛采用差分結構的原因。
答:基本放大直流穩壓電源電路按其接法的不同可以分為共發射極放大直流穩壓電源電路、共基極放大直流穩壓電源電路和共集電極放大直流穩壓電源電路,簡稱共基、共射、共集放大直流穩壓電源電路。 共射放大直流穩壓電源電路既能放大直流穩壓電源電流又能放大直流穩壓電源電壓,輸入直流穩壓電源電阻在三種直流穩壓電源電路中居中,輸出直流穩壓電源電阻較大,頻帶較窄。常做為低頻直流穩壓電源電壓放大直流穩壓電源電路的單元直流穩壓電源電路。 共基放大直流穩壓電源電路只能放大直流穩壓電源電壓不能放大直流穩壓電源電流,輸入直流穩壓電源電阻小,直流穩壓電源電壓放大倍數和輸出直流穩壓電源電阻與共射放大直流穩壓電源電路相當,頻率特性是三種接法中最好的直流穩壓電源電路。常用于寬頻帶 放大直流穩壓電源電路。
共集放大直流穩壓電源電路只能放大直流穩壓電源電流不能放大直流穩壓電源電壓,是三種接法中輸入直流穩壓電源電阻最大、輸 出直流穩壓電源電阻最小的直流穩壓電源電路,并具有直流穩壓電源電壓跟隨的特點。常用于直流穩壓電源電壓放大直流穩壓電源電路的輸入級和輸 出級,在功率放大直流穩壓電源電路中也常采用射極輸出的形式。
廣泛采用差分結構的原因是差分結構可以抑制溫度漂移現象。
5、給出一差分直流穩壓電源電路,已知其輸出直流穩壓電源電壓 Y+和 Y-,求共模分量和差模分量。
答:設共模分量是 Yc,差模分量是 Yd,則可知其輸出為
可知
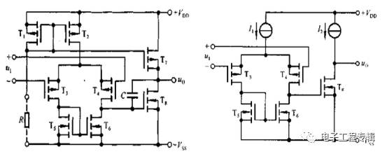
6、畫出一個晶體管級的運放直流穩壓電源電路。
答:下圖(a)給出了單極性集成運放 C14573 的直流穩壓電源電路原理圖,圖(b)為其放大電 路部分:
左圖(a) C14573 直流穩壓電源電路原理圖 圖(b) C14573 的放大直流穩壓電源電路部分
右圖(a)中 T1、T2 和 T7 管構成多路直流穩壓電源電流源,為放大直流穩壓電源電路提供靜態偏置直流穩壓電源電流, 把偏置直流穩壓電源電路簡化后,就可得到圖(b)所示的放大直流穩壓電源電路部分。
第一級是以 P 溝道管 T3 和 T4 為放大管、以 N 溝道管 T5 和 T6 管構成的電 流源為有源負載,采用共源形式的雙端輸入、單端輸出差分放大直流穩壓電源電路。由于第二 級直流穩壓電源電路從 T8 的柵極輸入,其輸入直流穩壓電源電阻非常大,所以使第一級具有很強的直流穩壓電源電壓放 大能力。
第二級是共源放大直流穩壓電源電路,以 N 溝道管 T8 為放大管,漏極帶有源負載,因此 也具有很強的直流穩壓電源電壓放大能力。但其輸出直流穩壓電源電阻很大,因而帶負載能力較差。
直流穩壓電源電容 C 起相位補償作用。
7、直流穩壓電源電阻 R 和直流穩壓電源電容 C 串聯,輸入直流穩壓電源電壓為 R 和 C 之間的直流穩壓電源電壓,輸出直流穩壓電源電壓分別為 C 上直流穩壓電源電壓和 R 上直流穩壓電源電壓,求這兩種直流穩壓電源電路輸出直流穩壓電源電壓的頻譜,判斷這兩種直流穩壓電源電路何為高通 濾波器,何為低通濾波器。當 RC<<T 時,給出輸入直流穩壓電源電壓波形圖,繪制兩種直流穩壓電源電路 的輸出波形圖。
答:當輸出直流穩壓電源電壓為 C 上直流穩壓電源電壓時,直流穩壓電源電路的頻率響應為:
記輸入直流穩壓電源電壓頻譜為 Pi (w) ,則輸出直流穩壓電源電壓的頻譜為
當輸出直流穩壓電源電壓為 C 上電時,直流穩壓電源電路的頻率響應為:
記輸入直流穩壓電源電壓頻譜為 Pi (w) ,則輸出直流穩壓電源電壓的頻譜為
從直流穩壓電源電路的頻率響應不難看出輸出直流穩壓電源電壓加在 C 上的為低通濾波器,輸出直流穩壓電源電壓加 在 R 上的為高通濾波器。
RC<<T 說明信號的頻率遠遠小于濾波器的中心頻率,所以對于第二個直流穩壓電源電路基 本上無輸出,第一個直流穩壓電源電路的輸出波形與輸入波形基本相同。
8、選擇直流穩壓電源電阻時要考慮什么?
答:主要考慮直流穩壓電源電阻的封裝、功率、精度、阻值和耐壓值等。
- 上一篇:直流穩壓電源濾波電容、去耦電容、旁路電容作用及其原理 2017/7/3
- 下一篇:國外解決充電機充電蓄電池回收問題的經驗方法 2017/7/2
