直流穩壓電源的電感選擇和布局布線
2018-10-31 11:58:25??????點擊:
直流穩壓電源(SMPS, Switched-Mode Power Supply)是一種非常高效的電源變換器,其理論值更是接近100%,種類繁多。按拓撲結構分,有Boost、Buck、Boost-Buck、Charge-pump等;按開關控制方式分,有PWM、PFM;按開關管類別分,有BJT、FET、IGBT等。本次討論以數據卡電源管理常用的PWM控制Buck、Boost型為主。
直流穩壓電源的主要部件包括:輸入源、開關管、儲能電感、控制電路、二極管、負載和輸出電容。目前絕大部分半導體廠商會將開關管、控制電路、二極管集成到一顆CMOS/Bipolar工藝的電源管理IC中,極大簡化了外部電路。
其中儲能電感作為直流穩壓電源的一個關鍵器件,對電源性能的好壞有重要作用,同時也是產品設計工程師重點關注和調試的對象。隨著像手機、PMP、數據卡為代表的消費類電子設備的尺寸正朝著輕、薄、小巧、時尚的趨勢發展,而這正與產品性能越強所要的更大容量、更大尺寸的電感和電容矛盾。因此,如何在保證產品性能的前提下,減小直流穩壓電源電感的尺寸(所占據的PCB面積和高度)是本文要討論的一個重要命題,設計者將不得不在電路性能和電感參數間進行折中(Tradeoff)。
任何事物都具有兩面性,直流穩壓電源也不例外。壞的PCB布局布線設計不但會降低直流穩壓電源的性能,更會強化EMC、EMI、地彈(grounding)等。在對直流穩壓電源進行布局布線時應注意的問題和遵循的原則也是本文要討論的另一重要命題。
一 直流穩壓電源占空比D、電感值L、效率η公式推導
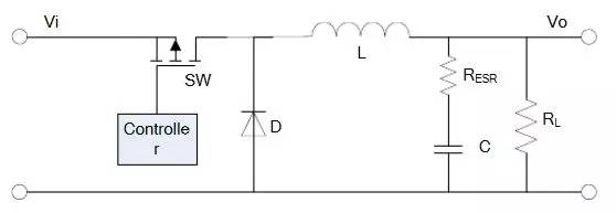
Buck型和Boost型直流穩壓電源具有不同的拓撲結構,本文將使用如圖1-1、1-2所示的電路參考模型[1]:

參考電路模型默認電感的DCR(Direct Constant Resistance)為零。

Buck/Boost型直流穩壓電源,伴隨開關管的開和關,儲能電感的電流波形如圖1-3所示:

從圖中可以看到,電感的電流波形等價于在直流I(DC)上疊加一個I(P-P)值為ΔI的交流。因而,I(DC)成為輸出電流I(O),主要消耗在負載上;交流ΔI則消耗在負載電容的ESR(Equation Serial Resistance)上,成為輸出紋波V(ripple)。
所以,
下面以Buck型直流穩壓電源為例推導占空比、電感值和效率公式。

在一個連續模式的周期內,開關管閉合,對電感進行充電,根據基爾霍夫定律有:
dt近似為:D/f(D:一個振蕩周期T內開關管ON/OFF的狀態的比例關系,T=1/f,dt=D*T=D/f); D:占空比是高電平所占周期時間與整個周期時間的比值)
展開:
其中:iV為輸入電壓,SWV為開關管電壓,oV為輸出電壓,SWf為開關頻率,D為占空比。
在一個連續模式的周期內,開關管打開,電感放電,根據基爾霍夫定律有:
r也叫電流紋波比,是紋波電流與額定輸出電流之比。對于一個給定Buck型直流穩壓電源,
此值一般為常量。從(5)式可以得到:電感值越大,I?就越小,因此r就越小。但這往往導致需要一個很大的電感才能辦到,所以絕大部分的Buck型直流穩壓電源選擇r值在0.25~0.5之間。
將(6)代入(5)式,得到:
至此,我們推導出了Buck型直流穩壓電源的。需要提醒的是以上所有公式都建立在參考電路模型的基礎上,忽略了電感的DCR。
從(4)式可以看到,占空比只與V(i)、V(o)、V(sw)和V(D)相關,可以很容易搭建電路計算出D,這也是直流穩壓電源控制器的核心電路之一,但對直流穩壓電源的應用者來說,我們可以不關心。
從(8)式可以看出,直流穩壓電源的效率也只與V(i)、V(o)、V(sw)和V(D)相關。事實上V(sw)和V(D)是開關頻率f(sw)的函數,所以也是f(sw)的函數,但并不能保證f(sw)越高,就越高。
而對于一個給定的Buck型直流穩壓電源,其SWf是確定的,所以也就是定值,尤其在忽略V(sw)和V(D)后,值為1。很明顯這與實際情況不符,根本原因就在于“參考模型假定儲能電感為理想電感”。
把(5)式代入(1)式,可以得到:
所以,可以通過選用大電感,低ESR大容量輸出電容的方法減小輸出紋波電壓。
同理,可以推導出了Boost型直流穩壓電源的D、L、minL,如下所示:
二 電感最小值選取
公式(7)、(12)分別給出了通用的Buck和Boost型直流穩壓電源的電感最小值選取公式。
對像手機、PMP、數據卡這類的消費類電子用到的低功率直流穩壓電源,V(sw)和V(D)都在0.1V~0.3V之間,因此可對公式(7)、(12)進行簡化,得到:
以PM6658的Buck電源MSMC為例,V(i)為3.8V,V(o)為1.2V,r為0.3,f(sw)為1.6MHz,I(o_rated)為500mA則L(min)為3.08uH。若選用的電感容差為20%,1.25*L(min)=3.85uH。據計算值最近的標準電感值為4.7uH,所以PM6658 spec推薦的最小電感值就是4.7uH。
三、電感參數選取
除了上面講的感值和容差(Tolerance)外,電感還有以下重要參數:自激頻率
(Self-resonant frequency,f(o)),R(DC),飽和電流(Saturation current,I(sat))和均方根電流(RMS current,I(RMS))。盡管參數很多,但準則只有一條:盡量保證f(sw)下電感的阻抗最小,讓實際電路和理想模型吻合,降低電感的功耗和熱量,提高電源的效率。
3.1 自激頻率f(o)
理想模式的電感,其阻抗與頻率呈線性關系,會隨頻率升高而增大。實際電感模型如圖3-1-1所示,由電感L串聯R(DCR)和寄生電容C并聯而成,存在自激頻率f(o)。頻率小于f(o)時呈感性,大于f(o)時呈容性,在f(o)處阻抗最大。

經驗值:電感的自激頻率f(o)最好選擇大于10倍開關頻率f(sw)。
3.2 直流電阻R(DCR)
電感的直流電阻R(DCR)自身會消耗一部分功率,使直流穩壓電源的效率下降,更要命的是這種消耗會通過電感升溫的方式進行,這樣又會降低電感的感值,增大紋波電流和紋波電壓,所以對直流穩壓電源來講,應根據芯片數據手冊提供的DCR典型值或最大值的基礎上,盡可能選擇DCR小的電感。
3.3 飽和電流I(SAT)和均方根電流I(RMS)(電感燒毀問題)

電感的飽和電流I(SAT)指其感值下降了標稱值的10%~30%所能通過的最大電流。如圖3-3-2所示,4.7uH電感下降為3.3uH時的電流約為900mA,因此其I(SAT)(30%)是900mA。

電感的均方根電流I(RMS)指電感溫度由室溫25℃上升至65℃時能通過的均方根電流。
I(SAT)和I(RMS)的大小取決于電感磁飽和與溫度上升至65℃的先后順序。
當標稱輸出電流大于I(SAT)時,電感飽和,感值下降,紋波電流、紋波電壓增大,效率降低。因此,電感的I(SAT)和I(RMS)中的最小值應高于直流穩壓電源額定輸出電流的1.3以上。
四、電感類型選取
在明確了最小電感值的計算和電感參數的選取后,有必要對市面上一些流行的電感類型
做比較分析,下面會圍繞:大電感和小電感、繞線電感和疊層電感、磁屏蔽電感和非屏蔽電感進行對比說明。
4.1 同尺寸下的大電感和小電感
這里“同尺寸”指電感的物理形狀大致相同,“大小”指標稱容量不同。一般小容量的電感具有如下優勢:
較低的DCR,因此在重載時會有更高的效率和較少的發熱;
更大的飽和電流;
更快的負載瞬態響應速度;
而大容量的電感具有較低的紋波電流和紋波電壓,較低的AC和傳導損失,在輕載時有較高的效率。圖4-1-1所示是Taiyo Yuden三種 2518封裝不同容量大小的電感負載電流跟效率的關系曲線。

4.2 繞線電感和疊層電感
相比于繞線電感,疊層電感具有如下優勢:
較小的物理尺寸,占用較少的PCB面積和高度空間;
較低的DCR,在重載時有更高的效率;
較低的AC損失,在輕載時有更高的效率;
但是,疊層電感的SATI也較小,因此其在重載時會有較大的紋波電流,導致輸出的紋波電壓也相應增大。圖4-2-1所示是Taiyo Yuden的兩種繞線電感與三星的兩種疊層電感負載電流和效率的關系曲線。

4.3 磁屏蔽電感和非屏蔽電感
非屏蔽電感會有較低的價格和較小的尺寸,但也會產生EMI。磁屏蔽電感會有效屏蔽掉EMI,因此更適合無線設備這樣EMI敏感的應用,此外它還具有較低的DCR。
五、電感選取總結
根據前面幾節內容的介紹,我們可以按照以下步驟選擇適合的電感:
(1) 計算L(min)和推薦電感參數:f(o)、R(DC)、I(SAT)、I(RMS);
(2) 在保證(1)的前提下,依據物理尺寸要求和性價比,折中選擇:大電感還是小電感,疊層電感還是繞線電感,磁屏蔽電感還是非屏蔽電感。
六、直流穩壓電源布局


以Buck電路為例,不管開關管是由閉合-打開還是打開-閉合,電流發生瞬變的部分都如圖(c)所示,它們是會產生非常豐富的諧波分量的上升沿或下降沿。通俗的講,這些會產生瞬變的電流跡線(trace)就是所謂的“交流”(AC current),其余部分是“直流”(DC current)。當然這里交直流的區別不是傳統教科書上的定義,而是指開關管的PWM頻率只是“交流”FFT變換里的一個分量,而在“直流”里這樣的諧波分量很低,可忽略不記。所以儲能電感屬于“直流”也就不奇怪,畢竟電感具有阻止電流發生瞬變的特性。因此,在直流穩壓電源布局時,“交流”跡線是最重要和最需要仔細考慮的地方。這也是需要牢記的唯一基本定律(only basic rule),并適用于其它法則和拓撲。下圖表示了Boost電路電流瞬變跡線,注意它和Buck電路的區別。

1inch長,50mm寬,1.4mil厚(1盎司)的銅導線在室溫下的電阻為2.5mΩ,若流過電流為1A,則產生的壓降是2.5mV,不會對絕大部分IC產生不利影響。然而,這樣1inch長的導線的寄生電感為20nH,由V=L*dI/dt可知,若電流變化快速,可能產生很大的壓降。典型的Buck電源在開關管由開-關時產生的瞬變電流是輸出電流的1.2倍,由關-開是產生的瞬變電流是輸出電流的0.8倍。FET型開關管的轉換時間是30ns,Bipolar型的是75ns,所以直流穩壓電源“交流”部分1inch的導線,流過1A瞬變電流時,就會產生0.7V的壓降。0.7V相比于2.5mV,增大了近300倍,所以高速開關部分的布局就顯得尤為重要。
盡可能地把所有外圍器件都緊密地放在轉換器的旁邊,減少走線的長度會是最理想的布局方式,但限于極其有限的布局空間,實際往往做不到,因此有必要根據瞬變壓降的嚴重程度按優先級順序進行。對Buck電路,輸入旁路電容須盡可能靠近IC放置,接下來是輸入電容,最后是二極管,采用短而粗的跡線將其一端與SW相連,另一端與地相連。而對Boost電路布局來說,則是按輸出旁路電容,輸出電容和二極管的優先級順序進行布局。
直流穩壓電源的主要部件包括:輸入源、開關管、儲能電感、控制電路、二極管、負載和輸出電容。目前絕大部分半導體廠商會將開關管、控制電路、二極管集成到一顆CMOS/Bipolar工藝的電源管理IC中,極大簡化了外部電路。
其中儲能電感作為直流穩壓電源的一個關鍵器件,對電源性能的好壞有重要作用,同時也是產品設計工程師重點關注和調試的對象。隨著像手機、PMP、數據卡為代表的消費類電子設備的尺寸正朝著輕、薄、小巧、時尚的趨勢發展,而這正與產品性能越強所要的更大容量、更大尺寸的電感和電容矛盾。因此,如何在保證產品性能的前提下,減小直流穩壓電源電感的尺寸(所占據的PCB面積和高度)是本文要討論的一個重要命題,設計者將不得不在電路性能和電感參數間進行折中(Tradeoff)。
任何事物都具有兩面性,直流穩壓電源也不例外。壞的PCB布局布線設計不但會降低直流穩壓電源的性能,更會強化EMC、EMI、地彈(grounding)等。在對直流穩壓電源進行布局布線時應注意的問題和遵循的原則也是本文要討論的另一重要命題。
一 直流穩壓電源占空比D、電感值L、效率η公式推導
Buck型和Boost型直流穩壓電源具有不同的拓撲結構,本文將使用如圖1-1、1-2所示的電路參考模型[1]:

參考電路模型默認電感的DCR(Direct Constant Resistance)為零。

Buck/Boost型直流穩壓電源,伴隨開關管的開和關,儲能電感的電流波形如圖1-3所示:

從圖中可以看到,電感的電流波形等價于在直流I(DC)上疊加一個I(P-P)值為ΔI的交流。因而,I(DC)成為輸出電流I(O),主要消耗在負載上;交流ΔI則消耗在負載電容的ESR(Equation Serial Resistance)上,成為輸出紋波V(ripple)。
所以,
下面以Buck型直流穩壓電源為例推導占空比、電感值和效率公式。

在一個連續模式的周期內,開關管閉合,對電感進行充電,根據基爾霍夫定律有:
dt近似為:D/f(D:一個振蕩周期T內開關管ON/OFF的狀態的比例關系,T=1/f,dt=D*T=D/f); D:占空比是高電平所占周期時間與整個周期時間的比值)
展開:
其中:iV為輸入電壓,SWV為開關管電壓,oV為輸出電壓,SWf為開關頻率,D為占空比。
在一個連續模式的周期內,開關管打開,電感放電,根據基爾霍夫定律有:
r也叫電流紋波比,是紋波電流與額定輸出電流之比。對于一個給定Buck型直流穩壓電源,
此值一般為常量。從(5)式可以得到:電感值越大,I?就越小,因此r就越小。但這往往導致需要一個很大的電感才能辦到,所以絕大部分的Buck型直流穩壓電源選擇r值在0.25~0.5之間。
將(6)代入(5)式,得到:
至此,我們推導出了Buck型直流穩壓電源的。需要提醒的是以上所有公式都建立在參考電路模型的基礎上,忽略了電感的DCR。
從(4)式可以看到,占空比只與V(i)、V(o)、V(sw)和V(D)相關,可以很容易搭建電路計算出D,這也是直流穩壓電源控制器的核心電路之一,但對直流穩壓電源的應用者來說,我們可以不關心。
從(8)式可以看出,直流穩壓電源的效率也只與V(i)、V(o)、V(sw)和V(D)相關。事實上V(sw)和V(D)是開關頻率f(sw)的函數,所以也是f(sw)的函數,但并不能保證f(sw)越高,就越高。
而對于一個給定的Buck型直流穩壓電源,其SWf是確定的,所以也就是定值,尤其在忽略V(sw)和V(D)后,值為1。很明顯這與實際情況不符,根本原因就在于“參考模型假定儲能電感為理想電感”。
把(5)式代入(1)式,可以得到:
所以,可以通過選用大電感,低ESR大容量輸出電容的方法減小輸出紋波電壓。
同理,可以推導出了Boost型直流穩壓電源的D、L、minL,如下所示:
二 電感最小值選取
公式(7)、(12)分別給出了通用的Buck和Boost型直流穩壓電源的電感最小值選取公式。
對像手機、PMP、數據卡這類的消費類電子用到的低功率直流穩壓電源,V(sw)和V(D)都在0.1V~0.3V之間,因此可對公式(7)、(12)進行簡化,得到:
以PM6658的Buck電源MSMC為例,V(i)為3.8V,V(o)為1.2V,r為0.3,f(sw)為1.6MHz,I(o_rated)為500mA則L(min)為3.08uH。若選用的電感容差為20%,1.25*L(min)=3.85uH。據計算值最近的標準電感值為4.7uH,所以PM6658 spec推薦的最小電感值就是4.7uH。
三、電感參數選取
除了上面講的感值和容差(Tolerance)外,電感還有以下重要參數:自激頻率
(Self-resonant frequency,f(o)),R(DC),飽和電流(Saturation current,I(sat))和均方根電流(RMS current,I(RMS))。盡管參數很多,但準則只有一條:盡量保證f(sw)下電感的阻抗最小,讓實際電路和理想模型吻合,降低電感的功耗和熱量,提高電源的效率。
3.1 自激頻率f(o)
理想模式的電感,其阻抗與頻率呈線性關系,會隨頻率升高而增大。實際電感模型如圖3-1-1所示,由電感L串聯R(DCR)和寄生電容C并聯而成,存在自激頻率f(o)。頻率小于f(o)時呈感性,大于f(o)時呈容性,在f(o)處阻抗最大。

經驗值:電感的自激頻率f(o)最好選擇大于10倍開關頻率f(sw)。
3.2 直流電阻R(DCR)
電感的直流電阻R(DCR)自身會消耗一部分功率,使直流穩壓電源的效率下降,更要命的是這種消耗會通過電感升溫的方式進行,這樣又會降低電感的感值,增大紋波電流和紋波電壓,所以對直流穩壓電源來講,應根據芯片數據手冊提供的DCR典型值或最大值的基礎上,盡可能選擇DCR小的電感。
3.3 飽和電流I(SAT)和均方根電流I(RMS)(電感燒毀問題)

電感的飽和電流I(SAT)指其感值下降了標稱值的10%~30%所能通過的最大電流。如圖3-3-2所示,4.7uH電感下降為3.3uH時的電流約為900mA,因此其I(SAT)(30%)是900mA。

電感的均方根電流I(RMS)指電感溫度由室溫25℃上升至65℃時能通過的均方根電流。
I(SAT)和I(RMS)的大小取決于電感磁飽和與溫度上升至65℃的先后順序。
當標稱輸出電流大于I(SAT)時,電感飽和,感值下降,紋波電流、紋波電壓增大,效率降低。因此,電感的I(SAT)和I(RMS)中的最小值應高于直流穩壓電源額定輸出電流的1.3以上。
四、電感類型選取
在明確了最小電感值的計算和電感參數的選取后,有必要對市面上一些流行的電感類型
做比較分析,下面會圍繞:大電感和小電感、繞線電感和疊層電感、磁屏蔽電感和非屏蔽電感進行對比說明。
4.1 同尺寸下的大電感和小電感
這里“同尺寸”指電感的物理形狀大致相同,“大小”指標稱容量不同。一般小容量的電感具有如下優勢:
較低的DCR,因此在重載時會有更高的效率和較少的發熱;
更大的飽和電流;
更快的負載瞬態響應速度;
而大容量的電感具有較低的紋波電流和紋波電壓,較低的AC和傳導損失,在輕載時有較高的效率。圖4-1-1所示是Taiyo Yuden三種 2518封裝不同容量大小的電感負載電流跟效率的關系曲線。

4.2 繞線電感和疊層電感
相比于繞線電感,疊層電感具有如下優勢:
較小的物理尺寸,占用較少的PCB面積和高度空間;
較低的DCR,在重載時有更高的效率;
較低的AC損失,在輕載時有更高的效率;
但是,疊層電感的SATI也較小,因此其在重載時會有較大的紋波電流,導致輸出的紋波電壓也相應增大。圖4-2-1所示是Taiyo Yuden的兩種繞線電感與三星的兩種疊層電感負載電流和效率的關系曲線。

4.3 磁屏蔽電感和非屏蔽電感
非屏蔽電感會有較低的價格和較小的尺寸,但也會產生EMI。磁屏蔽電感會有效屏蔽掉EMI,因此更適合無線設備這樣EMI敏感的應用,此外它還具有較低的DCR。
五、電感選取總結
根據前面幾節內容的介紹,我們可以按照以下步驟選擇適合的電感:
(1) 計算L(min)和推薦電感參數:f(o)、R(DC)、I(SAT)、I(RMS);
(2) 在保證(1)的前提下,依據物理尺寸要求和性價比,折中選擇:大電感還是小電感,疊層電感還是繞線電感,磁屏蔽電感還是非屏蔽電感。
六、直流穩壓電源布局


以Buck電路為例,不管開關管是由閉合-打開還是打開-閉合,電流發生瞬變的部分都如圖(c)所示,它們是會產生非常豐富的諧波分量的上升沿或下降沿。通俗的講,這些會產生瞬變的電流跡線(trace)就是所謂的“交流”(AC current),其余部分是“直流”(DC current)。當然這里交直流的區別不是傳統教科書上的定義,而是指開關管的PWM頻率只是“交流”FFT變換里的一個分量,而在“直流”里這樣的諧波分量很低,可忽略不記。所以儲能電感屬于“直流”也就不奇怪,畢竟電感具有阻止電流發生瞬變的特性。因此,在直流穩壓電源布局時,“交流”跡線是最重要和最需要仔細考慮的地方。這也是需要牢記的唯一基本定律(only basic rule),并適用于其它法則和拓撲。下圖表示了Boost電路電流瞬變跡線,注意它和Buck電路的區別。

1inch長,50mm寬,1.4mil厚(1盎司)的銅導線在室溫下的電阻為2.5mΩ,若流過電流為1A,則產生的壓降是2.5mV,不會對絕大部分IC產生不利影響。然而,這樣1inch長的導線的寄生電感為20nH,由V=L*dI/dt可知,若電流變化快速,可能產生很大的壓降。典型的Buck電源在開關管由開-關時產生的瞬變電流是輸出電流的1.2倍,由關-開是產生的瞬變電流是輸出電流的0.8倍。FET型開關管的轉換時間是30ns,Bipolar型的是75ns,所以直流穩壓電源“交流”部分1inch的導線,流過1A瞬變電流時,就會產生0.7V的壓降。0.7V相比于2.5mV,增大了近300倍,所以高速開關部分的布局就顯得尤為重要。
盡可能地把所有外圍器件都緊密地放在轉換器的旁邊,減少走線的長度會是最理想的布局方式,但限于極其有限的布局空間,實際往往做不到,因此有必要根據瞬變壓降的嚴重程度按優先級順序進行。對Buck電路,輸入旁路電容須盡可能靠近IC放置,接下來是輸入電容,最后是二極管,采用短而粗的跡線將其一端與SW相連,另一端與地相連。而對Boost電路布局來說,則是按輸出旁路電容,輸出電容和二極管的優先級順序進行布局。
- 上一篇:充電機充電鋰離子蓄電池硅基負極材料粘結劑的研究進展 2018/10/31
- 下一篇:直流電源的低頻紋波、高頻紋波、環路紋波、共模噪聲、諧振噪聲 2018/10/31
