檢測直流電源漏電流傳感器的方案
2017-6-7 10:49:41??????點擊:
傳統檢測直流系統絕緣的方法主要有:電橋平衡法和低頻探測法兩種。但是兩者均存在若干難以克服的缺陷。所以早在2004年中國電力科學研究院就正式發布的DL-T856-2004 《電力用直流電源監控裝置規范》一文的附錄A.3.g款明確規定:“檢測饋線支路數應大于32路,采用傳感器,應減少支路電容影響,安裝方便”。
本文就將支路漏電流檢測所使用的漏電流傳感器的方案進行探討,并提出:(1)智能自檢功能對一個安全監測器件重要性。(2)集約化,模塊化、小型化將是電力工程直流電源設備未來的發展方向。
一、傳統的主要有電橋平衡法和低頻探測法的回顧
1.電橋平衡法實現的絕緣監測裝置被廣泛使用,但它不能檢測直流系統正、負極絕緣同等下降時的情況;絕緣監測裝置即使報警,也不能直接得到系統對地的絕緣電阻大小。
2.低頻探測法能檢測的接地電阻受直流系統對地分布電容的制約,而且低頻交流信號容易受外界的干擾,另外注入的低頻交流信號會增大直流系統的電壓紋波系數。
綜上所述,傳統的電橋平衡法和的低頻探測法均存在若干難以克服的缺陷。
二、饋線支路漏電流檢測方案
1. 饋線支路漏電流的產生
當出現正負絕緣都降低的時候,線路中將出現明顯的不成比例關系的漏電流。如下圖(1)所示。
隨著各個支路絕緣度的進一步降低,漏電流也將不成比例的變大。如果不能及時準確的檢測出漏電流的大小,并在預設的安全閾值點上給出報警信號,那將對整個電力系統帶來極大的安全隱患。
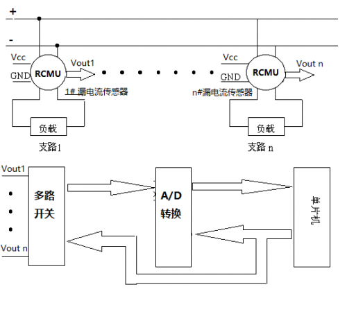
2. 饋線支路漏電流檢測的總方案
根據DL-T856-2004 《電力用直流電源監控裝置規范》一文的附錄A.3.g款明確規定:“檢測饋線支路數應大于32路,采用傳感器,應減少支路電容影響,安裝方便”
圖(2)給出了支路絕緣檢測方案的大致結構圖
單片機通過多路開關將不同支路漏電流傳感器的輸出電壓采集進來,在絕緣主模塊需要的時候將采集的數據發給主模塊。
由此可見,漏電流傳感器是決定性的器件。
三、漏電流傳感器選擇的探討
1.目前饋線支路漏電流檢測主要使用直流漏電流傳感器的方案。如下圖(3)所示:
可以看到目前的直流漏電流傳感器:導軌式安裝,穿線式測量,體積較大。
詳細查閱某主流應用型號的相關規格書和實際使用過程中,發現如下不足:
· 精度,線性度較差
· 功耗較大
· 溫漂較高,且工作溫度范圍較窄,只能在-10~70度之間工作
· 響應時間較慢
· 只能測直流分量
· 模塊體積較大,不利于模塊化、數字化發展方向發展
· 無自檢功能,維修、排除故障成本巨大
2. Magtron RCMU
在智能化,集約化,模塊化,小型化的行業升級大背景下,減小現在電力工程直流電源設備的體積,提高能量密度,實現降本,提效已經是一種趨勢。
Magtron為滿足這樣的技術發展要求和結構設計要求,推出了具有自檢功能,高精度,低功耗,超小尺寸(26mm*23mm*12mm),PCB安裝,免穿線的智能AC/DC漏電流傳感器RCMU101SM系列產品。具體細節如下:
· 安全自檢(Self-check)功能,安規件級別
· 漏電流檢測范圍AC/DC 0mA~500mA
· 內置單芯片集成方案
· 超小體積,PCB安裝
· Type B的RCMU
· DC~700Hz頻率范圍
· 全溫區高線性度、高精度
· 單電源供電
· 輸出應用電路簡單
四、 智能自檢功能對一個安全監測器件重要性
作為一個安全監測器件,只有在保證安全監測器件本身是功能正常的情況下,才能對整個系統提供安全監測。所以自檢功能必不可少!
MAGTRON RCMU101SM系列產品自檢功能簡介:
在每次上電過程中,將Check腳置高電平3.3V<5v(在系統的mcu中預制此程序,自動執行),器件內部將自己模擬出一個50ma的漏電,此時vout值將從原來2.5v跳變成2.7v±0.05v,從而判斷rcmu器件正常,將check腳置低,器件進入正常漏電檢測模式。< p=""> <5v(在系統的mcu中預制此程序,自動執行),器件內部將自己模擬出一個50ma的漏電,此時vout值將從原來2.5v跳變成2.7v±0.05v,從而判斷rcmu器件正常,將check腳置低,器件進入正常漏電檢測模式。<>
五、集約化, 模塊化和小型化的RCMU
Magtron RCMU101SM系列漏電流傳感器,除了采用單SOC芯片方案實現了高度集成化,小型化(26mm*23mm*12mm),還對器件的外觀和結構也做了別具匠心的設計,如圖(5)所示:
該產品使用全球首發的單SOC芯片設計,擁有獨特的數字化編程,高線性度及智能化校正,獨特的SELF-CHECK自檢測功能,更可檢測低至6MA交直流漏電等特點,完全符合電力工程直流電源設備的檢測要求。
六、總結
Magtron基于iFluxgate技術的SoC芯片方案所推出的RCMU101SM系列漏電流傳感器,使得電力工程直流電源設備減小體積,提高能量密度,實現降本,提效模塊化設計成為可能。
RCMU101SM系列漏電流傳感器的推出,會大幅度降低電力工程直流電源設備系統資源整合的成本。順應國家電網要求的,電力工程直流電源設備系統的智能化,集約化,模塊化、小型化的發展方向。

Magtron是All Programamble PGA Sensor、磁電傳感SoC的全球領先企業,致力于實現新一代更智能的、高功率密度和 定制 化的磁電傳感系統方案。在整個行業向工業物聯網和傳感智能化的大趨勢推動下,Magtron的創新技術Quadcore,RCMU,iShunt等創新技術使得磁電傳感,特別是電流傳感器應用既高度集成易用,同時實現高功率密度化,也首次實現傳感器高速軟件化。
本文就將支路漏電流檢測所使用的漏電流傳感器的方案進行探討,并提出:(1)智能自檢功能對一個安全監測器件重要性。(2)集約化,模塊化、小型化將是電力工程直流電源設備未來的發展方向。
一、傳統的主要有電橋平衡法和低頻探測法的回顧
1.電橋平衡法實現的絕緣監測裝置被廣泛使用,但它不能檢測直流系統正、負極絕緣同等下降時的情況;絕緣監測裝置即使報警,也不能直接得到系統對地的絕緣電阻大小。
2.低頻探測法能檢測的接地電阻受直流系統對地分布電容的制約,而且低頻交流信號容易受外界的干擾,另外注入的低頻交流信號會增大直流系統的電壓紋波系數。
綜上所述,傳統的電橋平衡法和的低頻探測法均存在若干難以克服的缺陷。
二、饋線支路漏電流檢測方案
1. 饋線支路漏電流的產生
當出現正負絕緣都降低的時候,線路中將出現明顯的不成比例關系的漏電流。如下圖(1)所示。
圖(1)
隨著各個支路絕緣度的進一步降低,漏電流也將不成比例的變大。如果不能及時準確的檢測出漏電流的大小,并在預設的安全閾值點上給出報警信號,那將對整個電力系統帶來極大的安全隱患。
2. 饋線支路漏電流檢測的總方案
根據DL-T856-2004 《電力用直流電源監控裝置規范》一文的附錄A.3.g款明確規定:“檢測饋線支路數應大于32路,采用傳感器,應減少支路電容影響,安裝方便”
圖(2)給出了支路絕緣檢測方案的大致結構圖
圖(2)
單片機通過多路開關將不同支路漏電流傳感器的輸出電壓采集進來,在絕緣主模塊需要的時候將采集的數據發給主模塊。
由此可見,漏電流傳感器是決定性的器件。
三、漏電流傳感器選擇的探討
1.目前饋線支路漏電流檢測主要使用直流漏電流傳感器的方案。如下圖(3)所示:
圖(3)
詳細查閱某主流應用型號的相關規格書和實際使用過程中,發現如下不足:
· 精度,線性度較差
· 功耗較大
· 溫漂較高,且工作溫度范圍較窄,只能在-10~70度之間工作
· 響應時間較慢
· 只能測直流分量
· 模塊體積較大,不利于模塊化、數字化發展方向發展
· 無自檢功能,維修、排除故障成本巨大
2. Magtron RCMU
在智能化,集約化,模塊化,小型化的行業升級大背景下,減小現在電力工程直流電源設備的體積,提高能量密度,實現降本,提效已經是一種趨勢。
Magtron為滿足這樣的技術發展要求和結構設計要求,推出了具有自檢功能,高精度,低功耗,超小尺寸(26mm*23mm*12mm),PCB安裝,免穿線的智能AC/DC漏電流傳感器RCMU101SM系列產品。具體細節如下:
· 安全自檢(Self-check)功能,安規件級別
· 漏電流檢測范圍AC/DC 0mA~500mA
· 內置單芯片集成方案
· 超小體積,PCB安裝
· Type B的RCMU
· DC~700Hz頻率范圍
· 全溫區高線性度、高精度
· 單電源供電
· 輸出應用電路簡單
四、 智能自檢功能對一個安全監測器件重要性
作為一個安全監測器件,只有在保證安全監測器件本身是功能正常的情況下,才能對整個系統提供安全監測。所以自檢功能必不可少!
MAGTRON RCMU101SM系列產品自檢功能簡介:
圖(4)
在每次上電過程中,將Check腳置高電平3.3V<5v(在系統的mcu中預制此程序,自動執行),器件內部將自己模擬出一個50ma的漏電,此時vout值將從原來2.5v跳變成2.7v±0.05v,從而判斷rcmu器件正常,將check腳置低,器件進入正常漏電檢測模式。< p=""> <5v(在系統的mcu中預制此程序,自動執行),器件內部將自己模擬出一個50ma的漏電,此時vout值將從原來2.5v跳變成2.7v±0.05v,從而判斷rcmu器件正常,將check腳置低,器件進入正常漏電檢測模式。<>
五、集約化, 模塊化和小型化的RCMU
Magtron RCMU101SM系列漏電流傳感器,除了采用單SOC芯片方案實現了高度集成化,小型化(26mm*23mm*12mm),還對器件的外觀和結構也做了別具匠心的設計,如圖(5)所示:
圖(5)RCMU101SM1 series SoC 方案外觀和結構圖
六、總結
Magtron基于iFluxgate技術的SoC芯片方案所推出的RCMU101SM系列漏電流傳感器,使得電力工程直流電源設備減小體積,提高能量密度,實現降本,提效模塊化設計成為可能。
RCMU101SM系列漏電流傳感器的推出,會大幅度降低電力工程直流電源設備系統資源整合的成本。順應國家電網要求的,電力工程直流電源設備系統的智能化,集約化,模塊化、小型化的發展方向。

Magtron是All Programamble PGA Sensor、磁電傳感SoC的全球領先企業,致力于實現新一代更智能的、高功率密度和 定制 化的磁電傳感系統方案。在整個行業向工業物聯網和傳感智能化的大趨勢推動下,Magtron的創新技術Quadcore,RCMU,iShunt等創新技術使得磁電傳感,特別是電流傳感器應用既高度集成易用,同時實現高功率密度化,也首次實現傳感器高速軟件化。
- 上一篇:直流電源模電和直流電源數電-一對孿生兄弟的自白 2017/6/7
- 下一篇:直流電源工程師們需要了解的電機原理 2017/6/7
